KD型、KC型库底、库侧卸料器


 
       该设备用于粉料贮仓底部或侧面卸料用,设备带有流化装置,卸料时能使物料流态化排出,通过输送管道或斜槽,配合散装机直接装料,该系统有气动和手动两种控制方式,气动用电磁阀控制气缸伸缩运动,实现卸料阀门的启闭;手动为转动手轮启闭阀门。
       主要技术参数
参数/型号 KC-100 KC-150 KD-100 KD-150
卸料直径(mm) 100 150 100 150
卸料能力(t/h) 30-60 50-100 40-80 60-120
耗气量(m³空气/物料) 0.8-1.2(水泥)
气缸工作压力(Mpa) 0.24-0.58
充气箱工作压力(Mpa) 0.1-0.2
充气棒气压(Mpa) 0.1-0.2
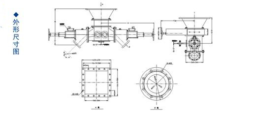
       外形尺寸图
       外形尺寸表
型号/代号 A B C D1 D2 E
KD-100 1030 539 190 170 100 510
KD-150 1230 554 260 225 150 595
KD-150S 1230 574 260 1960 599 450

下一篇:控制系统
Copy right © 2020 188博金宝亚洲体育(官方)网站 主要产品188宝金博苹果app 、双密封双层卸灰阀、物料控制阀、自降尘导料槽 备案号:苏ICP备2021003482号 技术支持:无锡网科    
Baidu
map